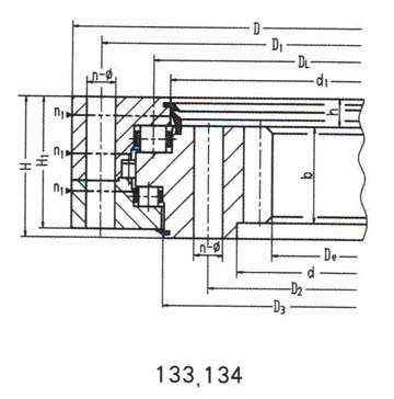
(13 series ) Three-row rolling type |
|
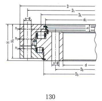
CHARACTERISTIC OF STRUCTURE,PERFORMANCE AND APPLICATION
|
![]() ![]() |
![]() |
|
No. |
Basic Type |
Configuration |
Mounting Size |
sturctural size |
Gear Date |
Ext Gear |
Int Gear |
Weight
| |||||||||||||||
|
Toothless |
Ext Toothless |
Int Toothless |
D |
d |
H |
D1 |
D2 |
n |
f |
M |
n1 |
H1 |
h |
b |
x |
m |
De |
Z |
De |
Z | |||
|
0 |
1,2,3 | ||||||||||||||||||||||
|
f |
f |
T | |||||||||||||||||||||
|
1 |
130.25.500 |
131.25.500 |
133.25.500 |
634 |
366 |
148 |
598 |
402 |
24 |
18 |
M16 |
32 |
4 |
138 |
32 |
80 |
+0.5 |
5 |
664 |
130 |
337 |
68 |
224 |
|
132.25.500 |
134.25.500 |
6 |
664.8 |
108 |
338.4 |
57 | |||||||||||||||||
|
2 |
130.25.560 |
131.25.560 |
133.25.560 |
694 |
426 |
148 |
658 |
462 |
24 |
18 |
M16 |
32 |
4 |
138 |
32 |
80 |
+0.5 |
5 |
724 |
142 |
397 |
80 |
240 |
|
132.25.560 |
134.25.560 |
6 |
724.8 |
118 |
398.4 |
67 | |||||||||||||||||
|
3 |
130.25.630 |
131.25.630 |
133.25.630 |
764 |
496 |
148 |
728 |
532 |
28 |
18 |
M16 |
32 |
4 |
138 |
32 |
80 |
+0.5 |
6 |
808.8 |
132 |
458.4 |
77 |
270 |
|
132.25.630 |
134.25.630 |
8 |
806.4 |
98 |
459.2 |
58 | |||||||||||||||||
|
4 |
130.25.710 |
131.25.710 |
133.25.710 |
844 |
576 |
148 |
808 |
612 |
28 |
18 |
M16 |
32 |
4 |
138 |
32 |
80 |
+0.5 |
6 |
886.8 |
145 |
536.4 |
90 |
300 |
|
132.25.710 |
134.25.710 |
8 |
886.4 |
108 |
539.2 |
68 | |||||||||||||||||
|
5 |
130.32.800 |
131.32.800 |
133.32.800 |
964 |
636 |
182 |
920 |
680 |
36 |
22 |
M20 |
40 |
4 |
172 |
40 |
120 |
+0.5 |
8 |
1006.4 |
123 |
595.2 |
75 |
500 |
|
132.32.800 |
134.32.800 |
10 |
1008 |
98 |
594 |
60 | |||||||||||||||||
|
6 |
130.32.900 |
131.32.900 |
133.32.900 |
1064 |
736 |
182 |
1020 |
780 |
36 |
22 |
M20 |
40 |
4 |
172 |
40 |
120 |
+0.5 |
8 |
1102.4 |
135 |
691.2 |
87 |
600 |
|
132.32.900 |
134.32.900 |
10 |
1108 |
108 |
694 |
70 | |||||||||||||||||
|
7 |
130.32.1000 |
131.32.1000 |
133.32.1000 |
1164 |
836 |
182 |
1120 |
880 |
40 |
22 |
M20 |
40 |
5 |
172 |
40 |
120 |
+0.5 |
10 |
1218 |
119 |
784 |
79 |
680 |
|
132.32.1000 |
134.32.1000 |
12 |
1221.6 |
99 |
784.8 |
66 | |||||||||||||||||
|
8 |
130.32.1120 |
131.32.1120 |
133.32.1120 |
1284 |
956 |
182 |
1240 |
1000 |
40 |
22 |
M20 |
40 |
5 |
172 |
40 |
120 |
+0.5 |
10 |
1338 |
131 |
904 |
91 |
820 |
|
132.32.1120 |
134.32.1120 |
12 |
1341.6 |
109 |
904.8 |
76 | |||||||||||||||||
|
9 |
130.40.1250 |
131.40.1250 |
133.40.1250 |
1445 |
1055 |
220 |
1393 |
1107 |
45 |
26 |
M24 |
48 |
5 |
210 |
50 |
150 |
+0.5 |
12 |
1509.6 |
123 |
988.8 |
83 |
1200 |
|
132.40.1250 |
134.40.1250 |
14 |
1509.2 |
105 |
985.6 |
71 | |||||||||||||||||
|
10 |
130.40.1400 |
131.40.1400 |
133.40.1400 |
1595 |
1205 |
220 |
1543 |
1257 |
45 |
26 |
M24 |
48 |
5 |
210 |
50 |
150 |
+0.5 |
12 |
1665.6 |
136 |
1144.8 |
96 |
1300 |
|
132.40.1400 |
134.40.1400 |
14 |
1663.2 |
116 |
1139.6 |
82 | |||||||||||||||||
|
11 |
130.40.1600 |
131.40.1600 |
133.40.1600 |
1795 |
1405 |
220 |
1743 |
1457 |
48 |
26 |
M24 |
48 |
6 |
210 |
50 |
150 |
+0.5 |
14 |
1873.2 |
131 |
1335.6 |
96 |
1520 |
|
132.40.1600 |
134.40.1600 |
16 |
1868.8 |
114 |
1334.4 |
84 | |||||||||||||||||
|
12 |
130.40.1800 |
131.40.1800 |
133.40.1800 |
1995 |
1605 |
220 |
1943 |
1657 |
48 |
26 |
M24 |
48 |
6 |
210 |
50 |
150 |
+0.5 |
14 |
2069.2 |
145 |
1531.6 |
110 |
1750 |
|
132.40.1800 |
134.40.1800 |
16 |
2076.8 |
127 |
1526.4 |
96 | |||||||||||||||||
|
13 |
130.45.2000 |
131.45.2000 |
133.45.2000 |
2221 |
1779 |
231 |
2155 |
1845 |
60 |
33 |
M30 |
60 |
6 |
219 |
54 |
160 |
+0.5 |
16 |
2300.8 |
141 |
1702.4 |
107 |
2400 |
|
132.45.2000 |
134.45.2000 |
18 |
2300.4 |
125 |
1699.2 |
95 | |||||||||||||||||
|
14 |
130.45.2240 |
131.45.2240 |
133.45.2240 |
2461 |
2019 |
231 |
2395 |
2085 |
60 |
33 |
M30 |
60 |
6 |
219 |
54 |
160 |
+0.5 |
16 |
2556.8 |
157 |
1926.4 |
121 |
2700 |
|
132.45.2240 |
134.45.2240 |
18 |
2552.4 |
139 |
1933.2 |
108 | |||||||||||||||||
|
15 |
130.45.2500 |
131.45.2500 |
133.45.2500 |
2721 |
2279 |
231 |
2655 |
2345 |
72 |
33 |
M30 |
60 |
8 |
219 |
54 |
160 |
+0.5 |
18 |
2822.4 |
154 |
2185.2 |
122 |
3000 |
|
132.45.2500 |
134.45.2500 |
20 |
2816 |
138 |
2188 |
110 | |||||||||||||||||
|
16 |
130.45.2800 |
131.45.2800 |
133.45.2800 |
3021 |
2579 |
231 |
2955 |
2645 |
72 |
33 |
M30 |
60 |
8 |
219 |
54 |
160 |
+0.5 |
18 |
3110.4 |
170 |
2491.2 |
139 |
3400 |
|
132.45.2800 |
134.45.2800 |
20 |
3116 |
153 |
2488 |
125 | |||||||||||||||||